现代社会,网络无处不在,根据携带信息的不同,这些网络可以分成许多不同的种类;但从另一方面来讲,这些网络又可以大致划分为两大类:无源网络和有源网络。无源网络即网络中没有使用电力驱动设备或元件来传输信号,有源网络即网络中使用了电力驱动设备或元件来传输信号。除了概念上的区别外,无源网络和有源网络在其他方面也有不同,本教程将分别对无源铜网络、有源铜网络、无源光网络和有源光网络进行详细介绍。
无源铜网络
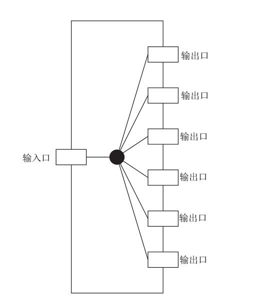
无源铜网络种类多样,家庭有线电视网络就是常见的无源铜网络之一。在有线电视网络中,服务供应商是通过同轴电缆来将电视信号输送到用户家中。而当用户家中有多台电视时,还需要用分路器来将同轴电缆中的电视信号分成多个,以保证每一台电视都能提供服务。这里使用的分路器是一种无源器件,通常有一个输入口和2/3/4个输出口(具体如下图)。

在上述网络中,电视信号常常会因为分路而减弱,而且当分路数较多时,可能造成每个电视都不能正常播放节目,这时就需要使用有源有线电视网络。
有源铜网络
有源铜网络也有多个种类,与无源铜网络不同的是,有源铜网络中增加了放大器等有源设备,用来将分路后衰减的电视信号放大,从而保证信号能进行远距离传输。增加的放大器等有源设备使得有源铜网络的结构更加复杂,而且使网络更加依赖这些有源设备,一点有源设备停止工作,整个有源铜网络也不能正常工作。
无源光网络
无源光网络与前面说到的无源铜网络十分类似,不同的是无源光网络中使用的是光缆而不是同轴电缆。在任何无源光网络中,耦合器都是重要的组成部分,负责将分路或耦合光信号。下图是一种七口耦合器的常见结构图:

现在大部分耦合器都具有可双向运行的功能,即既可以分路光信号又可以耦合光信号,而且任何一个端口都既可以是输入端口也可以是输出端口。而在无源光网络应用中,用来分光的耦合器通常被称为光分路器。与无源有线电视一样,光信号从输入端分光到各个输出端时也会有一定的损耗,因此无源光网络应用中的分光路数也有限制,一般不超过32路。
有源光网络
有源光网络和有源有线电视十分类似,不同的是光缆是连接到交换机而不是放大器,这里的交换机是一种有源设备,用来将数据转发给各个终端用户。这种网络可以克服无源光网络中光信号损耗的问题,但是其结构也更加复杂,而且需要电源供电,一旦交换机断电或出现故障,所有的终端用户将不能接收到数据信号。
结束语
本文详细介绍了无源铜网络、有源铜网络、无源光网络以及有源光网络的基本情况,这些网络都各有特点,在选择时应详细了解其优缺点,并根据具体需求和应用部署。
