易飞扬官宣800G HYBRID ACC+绿色铜缆互连产品的最新进展
[中国,深圳,2026年1月29日]以设计创新为宗旨的易飞扬正式宣布推出 800G OSFP HYBRID ACC+有源铜缆。不同于传统800G AEC有源电缆,HYBRID ACC+采用了半DSP设计,可以有效节省产品总功耗和总成本。

HYBRID 绿色有源铜缆设计方案图示:

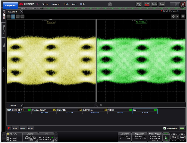
易飞扬开放实验室利用自制checker仪器进行了调测,并在英伟达800G Infiniband交换机进行了交互测试和验证,800G OSFP HYBRID ACC+ 5M有源铜缆完全可适配800G交换机,Pre-FEC BER处于1E-9级别,Post-FEC BER可达1E-15甚至更优,Eye opening Info FOM值绝大部分在70以上,说明信号质量良好。


HYBRID铜互连产品对标行业AEC有源铜缆,将800G有源铜缆最大传输距离延伸到5M以上。HYBRID铜互连产品仅使用DSP的线路侧或主机侧一端的能力对高速信号补偿及处理,较常规AEC产品所需DSP通道数量(或芯片数量)减半,产品典型功耗仅约5.5W/end,5M时延约100ns,在等同传输距离下功耗、时延、成本可改善40%左右。
易飞扬亦同步在研制HYBRID1.6T ACC有源铜缆产品。
关于易飞扬
作为开放光网络器件的向导,易飞扬(GIGALIGHT)集有源和无源光器件以及子系统的设计、制造和销售于一体,产品主要是光模块、硅光模块、液冷模块、光无源器件、有源光缆和直连铜缆、相干光通信模块与OPEN DCI BOX子系统。易飞扬重点服务数据中心、5G承载网、城域波分传输、超高清广播视讯等应用领域,是一家创新设计的高速光互连硬件解决方案商。
0 1
































